Piedurkņu vāciņa komplekts GREY LUXO 5VBH DITEC ENTREMATIC NC6LUXC1 6LUXC1
Piedurkņu vāciņa komplekts GREY LUXO 5VBH DITEC ENTREMATIC NC6LUXC1 6LUXC1

Piedurkņu vāciņa komplekts GREY LUXO 5VBH DITEC ENTREMATIC NC6LUXC1 6LUXC1

DIT-NC6LUXC1|R9B68
DIT-NC6LUXC1
6,39 
AR PVN
Noliktavā pēdējās preces

6,39 
 

PELĒKA CILINDRA GALVA 25LUXO5BHU /RR

Oriģinālā rezerves daļa

Lietojumprogrammu:

LUXO 5VBH

Mod. 6LUXC1

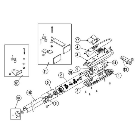
Gabals Nr. 10 uz eksplodētā skata attēlā.

24 mēnešu garantija

DIT-NC6LUXC1
Product added to wishlist
Product added to compare.